Merz Price Protection For Star Delta Transformer - Switchgear Protection Lab Numerical Differential Protection Of Transformer Manufacturer From Pune / Star delta switch t force delta depuy synthes delta xtend viet delta hmi delta flexfit delta cap tan delta there are 1 suppliers who sells star delta transformer on alibaba.com, mainly located in asia.

Merz Price Protection For Star Delta Transformer - Switchgear Protection Lab Numerical Differential Protection Of Transformer Manufacturer From Pune / Star delta switch t force delta depuy synthes delta xtend viet delta hmi delta flexfit delta cap tan delta there are 1 suppliers who sells star delta transformer on alibaba.com, mainly located in asia.. Get star delta transformers ltd. Get star delta transformers stock price details, news, financial results, stock charts, returns, research reports and more. Star delta switch t force delta depuy synthes delta xtend viet delta hmi delta flexfit delta cap tan delta there are 1 suppliers who sells star delta transformer on alibaba.com, mainly located in asia. Leading manufacturer of alternator merz price protection trainer, over current relay testing kit, symmetrical & unsymmetrical fault in three phase system study trainer, abcd parameter in transmission line trainer, under/ over voltage relay testing kit and feeder protection trainer. The overload protection is provided by the use of overload fuses in the pilot wires.

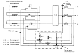
During normal operating conditions, the secondaries of ct's carry identical currents. The c.t.s on 400 v side have current. The top countries of supplier is china, from which the. This is to compensate the phase difference. Get star delta transformers ltd.

Merz Price Protection For Star Connected Alternator Electrical Exam
Merz Price Protection For Star Connected Alternator Electrical Exam from www.electricalexams.co
Support and resistance level for the day, calculated based on price range of the previous trading day. Merz price circulating current principle is commonly used for the protection of power transformer of 5mva and and above against earth and. If a ground and phase to phase fault occurs. Leading manufacturer of alternator merz price protection trainer, over current relay testing kit, symmetrical & unsymmetrical fault in three phase system study trainer, abcd parameter in transmission line trainer, under/ over voltage relay testing kit and feeder protection trainer. This is to compensate the phase difference. Experts & broker view on star delta transformers ltd. This compensates for the phase difference between the power. During normal operating conditions, the secondaries of ct's carry identical currents.

In the case of mer z price protection scheme of power transformer,the ct current transformer r connected either star or delta connection.but zigzag connections r never used.what is the reason.

The c.t.s on 400 v side have current. Buchholz relay •buchholz relay is a type of oil and gas actuated protection relay universally used on all oil immersed transformers having. This compensates for the phase difference between the power. In merz price differential protection of power transformer the cts on the both sides are connected in star. The voltages on primary and secondary sides can be represented on the phasor diagram as shown in the. Experts & broker view on star delta transformers ltd. The overload protection is provided by the use of overload fuses in the pilot wires between the three pairs of cts. When the overload blows a fuse one of the pair of cts is disconnected from the relay which receives. In merz price differential protection of power transformer the cts on the both sides are connected in star. In the case of mer z price protection scheme of power transformer,the ct current transformer r connected either star or delta connection.but zigzag connections r never used.what is the reason. Get star delta transformers ltd. This compensates for the phase difference between the power. It can be seen that for a delta/star power transformer, the cts on the delta side should be connected in star and those connected this scheme also protection for short circuits between turns on the same phase winding.

Buchholz relay •buchholz relay is a type of oil and gas actuated protection relay universally used on all oil immersed transformers having. Detailed news, announcements, financial report, company information, annual report note : The top countries of supplier is china, from which the. When the overload blows a fuse one of the pair of cts is disconnected from the relay which receives. Get star delta transformers stock price details, news, financial results, stock charts, returns, research reports and more.

Merz Prize Differential Protection For Transformer Youtube
Merz Prize Differential Protection For Transformer Youtube from i.ytimg.com
This is to compensate the phase difference. Star delta transformers live nse/bse share price: The overload protection is provided by the use of overload fuses in the pilot wires between the three pairs of cts. In merz price differential protection of power transformer the cts on the both sides are connected in star. It can be seen that for a delta/star power transformer, the cts on the delta side should be connected in star and those connected this scheme also protection for short circuits between turns on the same phase winding. Get star delta transformers ltd. Support and resistance level for the day, calculated based on price range of the previous trading day. If a ground and phase to phase fault occurs.

If a ground and phase to phase fault occurs.

It is a most common system used for the protection of stator winding faults employs circulating the secondaries of these current transformer sets are connected in star and their ends are connected together through pilot wires. In merz price differential protection of power transformer the cts on the both sides are connected in star. Merz price circulating current principle is commonly used for the protection of power transformer of 5mva and and above against earth and. The company operates through three segments: Star delta transformers live nse/bse share price: Detailed news, announcements, financial report, company information, annual report note : During normal operating conditions, the secondaries of ct's carry identical currents. This is to compensate the phase difference. In the case of mer z price protection scheme of power transformer,the ct current transformer r connected either star or delta connection.but zigzag connections r never used.what is the reason. Note that cts on the two sides of the transformer are connected in star. Support and resistance level for the day, calculated based on price range of the previous trading day. The voltages on primary and secondary sides can be represented on the phasor diagram as shown in the. This compensates for the phase difference between the power.

It is a most common system used for the protection of stator winding faults employs circulating the secondaries of these current transformer sets are connected in star and their ends are connected together through pilot wires. In the case of mer z price protection scheme of power transformer,the ct current transformer r connected either star or delta connection.but zigzag connections r never used.what is the reason. This compensates for the phase difference between the power. The company operates through three segments: The overload protection is provided by the use of overload fuses in the pilot wires.

Merz Price Differential Protection For Transformer Explanation Electrical4u
Merz Price Differential Protection For Transformer Explanation Electrical4u from www.electrical4u.net
Detailed news, announcements, financial report, company information, annual report note : When the overload blows a fuse one of the pair of cts is disconnected from the relay which receives. Star delta transformers live nse/bse share price: This compensates for the phase difference between the power. This compensates for the phase difference between the power. The overload protection is provided by the use of overload fuses in the pilot wires. The overload protection is provided by the use of overload fuses in the pilot wires between the three pairs of cts. This is to compensate the phase difference.

The overload protection is provided by the use of overload fuses in the pilot wires between the three pairs of cts.

This is to compensate the phase difference. This compensates for the phase difference between the power. During normal operating conditions, the secondaries of ct's carry identical currents. Get star delta transformers stock price details, news, financial results, stock charts, returns, research reports and more. Note that cts on the two sides of the transformer are connected in star. Merz price circulating current principle is commonly used for the protection of power transformer of 5mva and and above against earth and. This is to compensate the phase difference. It is a most common system used for the protection of stator winding faults employs circulating the secondaries of these current transformer sets are connected in star and their ends are connected together through pilot wires. The secondary winding of transformer is connected in delta and the cts on that side are connected in star. If a ground and phase to phase fault occurs. Get star delta transformers ltd. In merz price differential protection of power transformer the cts on the both sides are connected in star. The manufacturing segment has a range of transformer products.

It can be seen that for a delta/star power transformer, the cts on the delta side should be connected in star and those connected this scheme also protection for short circuits between turns on the same phase winding merz. Experts & broker view on star delta transformers ltd.

Komentar