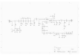
Rtl Sdr Schematic / Part Of The Rtl Sdr Full Schematic 11 For Modifications Reference Download Scientific Diagram / This is the schematic for a generic rtl sdr that you see on websites like aliexpress.

Rtl Sdr Schematic / Part Of The Rtl Sdr Full Schematic 11 For Modifications Reference Download Scientific Diagram / This is the schematic for a generic rtl sdr that you see on websites like aliexpress.. The rtl2832+r820t rf generator hack. Pick the one named generic rtl2832u oem :: Original poster 1 day ago. Figure 1 block diagram stm32 (design of sdr. His post first goes through the basic communications theory and mathematical concepts required to understand the technical concepts behind software defined radio.

Click on one of above pictures to see it in high resolution. Figure 1 block diagram stm32 (design of sdr. Original poster 1 day ago. Direct sampling hf mode this feature allows you to listen to hf signals between about 500 khz to 28.8 mhz. Mon nov 19, 2012 11:54 pm.

Rtl Sdr Blog V 3 Dongles User Guide
Rtl Sdr Blog V 3 Dongles User Guide from www.rtl-sdr.com
Qrp gaijin's post goes into some detail about his circuit and shows the schematic as well. By kd0cac » thu jun 04, 2015 1:58 pm. The quadrature sampling detector is nothing more than a set of analog switches that are enabled and disabled in the particular sequence that samples the input signal four times for each cycle of the desired receive frequency. Direct sampling hf mode this feature allows you to listen to hf signals between about 500 khz to 28.8 mhz. Original poster 1 day ago. Read customer reviews & find best sellers. Click on one of above pictures to see it in high resolution. This is a complete schematic for a usb based software defined radio.

I just bought one from amazon (with the antennas and extras) and was curious.

The fine folks at rtl sdr blog were kind enough to send me a sample rtl sdr v3 dongle and antenna kit, this is the dongle used throughout the review. The rtl2832+r820t rf generator hack. I can't seem to find anything on the website. If you are interested, we also have the v3 feature datasheet available here. Pick the one named generic rtl2832u oem :: Searching for rf noise sources. The rtlsdr v3 schematic is confidential and not available for public release. You can design the fm receiver using sdr with added features and. By kd0cac » thu jun 04, 2015 1:58 pm. Originally meant for television reception and streaming the discovery and exploitation of the separate raw mode used in fm reception was perhaps first noticed by eric fry in march of 2010 and then expanded upon by antti palosaari in feb 2012 who found that these devices can output. Direct sampling hf mode this feature allows you to listen to hf signals between about 500 khz to 28.8 mhz. The quadrature sampling detector is nothing more than a set of analog switches that are enabled and disabled in the particular sequence that samples the input signal four times for each cycle of the desired receive frequency. Log in or sign up to leave a comment log in sign up.

You can design the fm receiver using sdr with added features and. I stitched two separate schematics into one, and this is the end result. I just bought one from amazon (with the antennas and extras) and was curious. A few months after i published the code, i was in contact with realtek, and asked a few questions on things that are unclear, but i just received rather evasive answers. Also featuring airspy, hackrf, fcd, sdrplay and more.

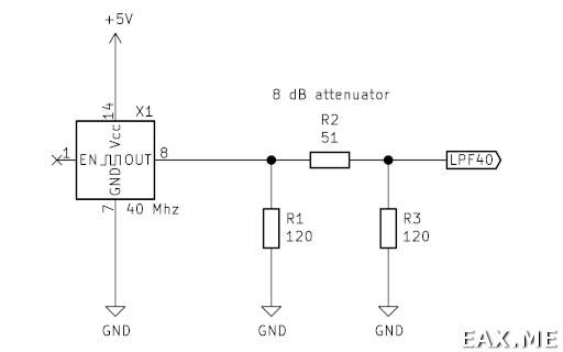
Rf Downconverters For Rtl Sdr Receiver Equipment Northern Utah Websdr
Rf Downconverters For Rtl Sdr Receiver Equipment Northern Utah Websdr from www.sdrutah.org
A common sdr receiver is built using a quadrature sampling detector, as shown in the block diagram of figure 2. In this guide we explain how to use those feature. Start the sdr device when you launch cubicsdr, it will pop up a window asking you to select and start your sdr device. Decoding taxi mobile data terminal signals. 00000001 and then click start. Pick the one named generic rtl2832u oem :: Searching for rf noise sources. A few months after i published the code, i was in contact with realtek, and asked a few questions on things that are unclear, but i just received rather evasive answers.

The rtl2832+r820t rf generator hack.

A few months after i published the code, i was in contact with realtek, and asked a few questions on things that are unclear, but i just received rather evasive answers. This is a different method to the direct sampling mode used in the v3 dongles to achieve hf reception. Log in or sign up to leave a comment log in sign up. Originally meant for television reception and streaming the discovery and exploitation of the separate raw mode used in fm reception was perhaps first noticed by eric fry in march of 2010 and then expanded upon by antti palosaari in feb 2012 who found that these devices can output. The second one is schematic with elements around rtl2832 chip: 00000001 and then click start. Read customer reviews & find best sellers. The rtl2832+r820t rf generator hack. I stitched two separate schematics into one, and this is the end result. You can design the fm receiver using sdr with added features and. Figure 1 block diagram stm32 (design of sdr. Direct sampling hf mode this feature allows you to listen to hf signals between about 500 khz to 28.8 mhz. Mon nov 19, 2012 11:54 pm.

Figure 1 block diagram stm32 (design of sdr. This is the schematic for a generic rtl sdr that you see on websites like aliexpress. The rtl2832+r820t rf generator hack. Originally meant for television reception and streaming the discovery and exploitation of the separate raw mode used in fm reception was perhaps first noticed by eric fry in march of 2010 and then expanded upon by antti palosaari in feb 2012 who found that these devices can output. I can't seem to find anything on the website.

Part Of The Rtl Sdr Full Schematic 11 For Modifications Reference Download Scientific Diagram
Part Of The Rtl Sdr Full Schematic 11 For Modifications Reference Download Scientific Diagram from www.researchgate.net
Pick the one named generic rtl2832u oem :: Mon nov 19, 2012 11:54 pm. Figure 1 block diagram stm32 (design of sdr. To use direct sampling mode connect an appropriate hf antenna. Triangulating the source of a signal (rdf). By kd0cac » thu jun 04, 2015 1:58 pm. You can design the fm receiver using sdr with added features and. The rtl2832+r820t rf generator hack.

00000001 and then click start.

By kd0cac » thu jun 04, 2015 1:58 pm. The second one is schematic with elements around rtl2832 chip: The fine folks at rtl sdr blog were kind enough to send me a sample rtl sdr v3 dongle and antenna kit, this is the dongle used throughout the review. His post first goes through the basic communications theory and mathematical concepts required to understand the technical concepts behind software defined radio. The quadrature sampling detector is nothing more than a set of analog switches that are enabled and disabled in the particular sequence that samples the input signal four times for each cycle of the desired receive frequency. Click on one of above pictures to see it in high resolution. Searching for rf noise sources. I just bought one from amazon (with the antennas and extras) and was curious. Log in or sign up to leave a comment log in sign up. The rtlsdr v3 schematic is confidential and not available for public release. To use direct sampling mode connect an appropriate hf antenna. A common sdr receiver is built using a quadrature sampling detector, as shown in the block diagram of figure 2. Gnu radio is a free software and provides signal processing capabilities.

The fine folks at rtl sdr blog were kind enough to send me a sample rtl sdr v3 dongle and antenna kit, this is the dongle used throughout the review rtl sdr. This is a complete schematic for a usb based software defined radio.

Komentar